你的位置:網站首頁 >> 閥門知識 >> SK-3水環式真空泵安裝及外形圖
SK-3水環式真空泵安裝及外形圖
時間:2013-8-13 來源:揚子江泵業 瀏覽數:1846
一、SK-3水環式真空泵的外形尺寸:
![]() |
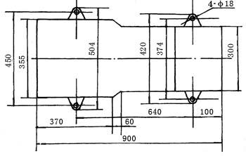
二、SK-3水環式真空泵的安裝尺寸:
![]() |
三、SK-3水環式真空泵的設備安裝:
1、SK-3水環式真空泵和電機的安裝
SK-3水環式真空泵和壓縮機在安裝前,先用手轉動一下聯軸器,以證實SK-3水環式真空泵內是否有卡信及其它損壞現象。整套設備運抵安裝地點時,包裝已損壞或在存放時受潮濕,以及泵在出廠后六個月再行安裝使用時,應在安裝膠全部拆開檢查修理。如果真空泵或壓縮機運轉正常,將泵安裝在泵座上。電動機固定在泵座上以前,應校正電動機軸與泵軸的同心度,因為電動機與泵軸即使是極小的傾斜也會引起軸承發熱和零件的嚴重磨損等后果。將直尺平行放在聯軸器上,在整個圓周的任何位置都與聯軸器圓周密合沒有間隙,且聯軸器的軸向間隙都相等時,則達到了所要求的同心度(圖六)。
2、SK-3水環式真空泵氣水分離器的安裝;
氣水分離器根據外形圖安裝在地基上。若有必要改變安裝位置時,應注意分離器與SK-3水環式真空泵連接管路不得過長,轉變不得過急,否則氣水混合物在管路中流動損失必將增加,增大了排氣阻力,會因此降低流量和真空度,增加功率消耗。氣水分離器的進氣口法蘭與SK-3水環式真空泵排氣口法蘭之間由彎管連接,氣水分離器底部,有一管路與泵相連,由此供給泵正常工作所需水量,供水量大小由管路上的閥門調節,氣水分離器另有一管路,管路上裝閥門,消耗的工作水由此補充。
3、SK-3水環式真空泵與氣水分離器間管路安裝:
SK-3水環式真空泵或壓縮機的排氣管與氣水分離器的進氣管相連,當作為壓縮機使用時,氣水分離器的排氣管與利用壓縮氣體的系統相連,一般情況下,要求管路不得過長,轉變不得過急。當作SK-3水環式真空泵用時,氣體由氣水分離器的排氣口排至大氣,若為改善工作環境,可將氣體通過管路排至工作地點以外。管路法蘭盤連接處,應用墊片使其可靠密合,尤其是泵SK-3水環式真空泵的進氣管路稍有不嚴密之處,就不能達到預定的真空度。SK-3水環式真空泵或壓縮機的進氣管上應裝有庫閥,以便在停車時,先行關閉,防止SK-3水環式真空泵或壓縮機內的水在排氣管方面的壓力作用下返回系統。為方便工作,好在進氣口與閥門之間安裝一只真空表,以便隨時檢查真空的工作情況是否正常。當作為壓縮機使用時,應在氣水分離器的排氣管路上安裝閘閥,(好為單向閥以保證發和異常情況時,不致使氣體返回,以致使工作水返回系統之),在排氣管和閥門之間安裝一只壓力表,可隨時檢查壓送氣體是否達到所需壓力。
另外注意:管路應加裝細網過濾裝置,(其孔眼不大于0.5mm)防止雜物進入泵內,對SK-3水環式真空泵產生損壞。
4、SK-3水環式真空泵調節結構:
SK-3水環式真空泵是用安裝在進氣管路上的閥門來調整真空度和流量。閥門以任何一種形式,安裝在排氣管路上,以便調節被壓送氣體的壓力。被壓縮氣體根據其使用條件不許將其排出時,應在進氣管對排氣管之間裝一導氣管,其直徑與裝在其上的閥門直徑相同,以便在很大限度內調節氣量。
四、SK-3水環式真空泵的啟動及停車:
1、SK-3水環式真空泵啟動:
SK-3水環式真空泵長期停車的泵在開動以前,必用手轉動數周,以證實泵內沒有卡信或其它損壞現象。啟動按以下順序進行(參見圖5);
(1)SK-3水環式真空泵關閉進氣管路上的閘閥4;
(2)啟動電動機(從傳動方向看,電機為順時針方向旋轉,右側為吸氣口,左側為排氣口)。泵為機械密封,應先給機械密封加水再起動電動機。
(3)打開供水管上的閥門6(或直接用自來水向泵內供水),逐漸增加供水量,至供水量符合規定要求為止。
(4)當SK-3水環式真空泵達極限真空或大壓力時,打開進氣管路上的閘閥2,泵開始正常工作;
(5)調整填料壓蓋,使水成滴往外滴為好。
(6)由閥門來調整氣水分離器向泵供水量,以便在要求的技術條件下運轉,使功率消耗量小,達到性能指標,滿足工作要求。
(7)調整供水管供給氣水分離器的水量,以便用小的水耗量,保證泵內所要求的技術規范。
(8) SK-3水環式真空泵在極限壓力下工作時,泵內可能由于物理作用而發生爆炸聲,但功率消耗并不增大,可將進氣管路上的閥門打開,使之進入少量氣體,爆炸聲即行消失。如果爆炸聲不消失,且功率消耗增大,則表明泵已發生故障,應停車檢修。
2、SK-3水環式真空泵停車:
停車應按以下順序:
(1)關閉進氣管上的閥門(做壓縮用時應先關閉排氣管上的閥門,然后關閉吸氣閥)。
(2)關閉供水管路上的閘閥,停水后,不應立即停泵,應使泵繼續運轉1-2分鐘,排出部分工作液。泵為機械密封,機械密封的冷卻水不能關閉。
(3)關閉電動機,再關閉機械密封冷卻水。
(4)如果停車時間超過一天,必須將泵及氣水分離器內的水放掉,以防銹蝕。
五、SK-3水環式真空泵的維護:
1.SK-3水環式真空泵經常檢查軸承的工作和潤滑情況。
2.正常工作的軸承比周圍溫度高15℃~20℃,高不允許超過過55℃~60℃,正常工作的軸承每年應裝油3~4次。每年至少清洗軸承一次,并將潤滑油全部更換。
3.SK-3水環式真空泵如果是填料密封,應定期地壓緊填料,如果填料因磨損而不能保證所需要的密封性能時,應更換新填料。填料不能壓得過緊。正常壓緊的填料,允許水成滴滴出,以保證冷卻和加強密封性。如果采用機械密封,出現泄漏現象,應檢查機械密封的動、靜環是否已損壞,或是密封圈已老化,如出現上述情況,均更換新零件。
六、SK-3水環式真空泵的拆卸及裝配:
1.SK-3水環式真空泵拆卸
SK-3水環式真空泵的拆卸分為部分拆卸檢查和完全拆卸修理及更換零件,在拆卸前應將泵腔內的水放出,并將進氣管及排氣拆下。在拆卸過程中,應將所有的墊謹慎地取下,如發生損壞應在裝配時更換同樣厚度的新墊。SK-3水環式真空泵應從后端(無聯軸器一端)開始拆卸,其順序如下:
(1)松開并取下兩連通管(SK-1.5/3無連通管)
(2)松開并取下后軸承壓蓋。
(3)用鉤板手將圓螺母松開,取下填料壓蓋。
(4)松開填料壓蓋螺帽,取下填料壓蓋。
(5)松開泵體和端蓋的聯接螺栓和泵腳處的螺栓。
(6)在泵體下加一支承,然后從軸上取下端蓋。
(7)取下SK-3水環式真空泵體。SK-3水環式真空泵的部分拆卸至此為止,此時泵的工作部分及各個零件可進行檢查及清洗。完全拆卸,應按下列順序繼續進行。
(8)松開另一泵腳螺栓,從底座上取下泵頭。
(9)取下聯軸器。
(10)從軸上取下聯軸器的鍵。
(11)取下前軸承壓蓋。
(12)松開軸承備背帽,取下軸承架和軸承。
(13)松開填料壓蓋的壓緊螺帽,取下填料壓蓋。
(14)將軸和葉輪一同從端蓋中取出。
(15)從軸上取下軸套。
(16)從軸上取葉輪。
SK-3水環式真空泵拆卸完畢,應將配合面和螺紋仔細擦凈涂上機油。
2.SK-3水環式真空泵裝配:
(1)裝配前清洗留在配合面上的墊并仔細擦凈。
(2)清除軸承和軸承架內的舊油并更換新油。
(3)裝配順序與拆卸順序相反
裝配時主要的是調整葉輪端面和端蓋上園盤的間隙,間隙的大小,直接影響泵的性能,兩邊總間隙按下表規定間隙,由SK-3水環式真空泵體和端蓋之間加墊獲得,葉輪兩端面間隙應均勻,可松緊軸套或背帽以移動葉輪來調整。
|
型 號
|
兩側總間隙
|
單側間隙
|
|
SK-1.5
|
0.20~0.30
|
0.10~0.15
|
|
SK-3
|
0.20~0.30
|
0.10~0.15
|
|
SK-6
|
0.30~0.40
|
0.15~0.20
|
|
SK-12
|
0.30~0.40
|
0.15~0.20
|
|
SK-20
|
0.40~0.60
|
0.20~0.30
|
|
SK-30
|
0.40~0.60
|
0.20~0.30
|
|
SK-42
|
0.40~0.60
|
0.20~0.30
|
|
SK-60
|
0.50~0.70
|
0.25~0.35
|
|
SK-85
|
0.50~0.70
|
0.25~0.35
|
|
SK-120
|
0.50~0.70
|
0.25~0.35
|
注:(1)本廠產品隨技術改進等原因,不經預告可變更
(2)本廠產品在保修修內,不經廠家允許,不得隨意拆卸。
感謝您訪問我們揚子江泵業的網站www.yzj.cc,如有任何水泵疑問我們一定會盡心盡力為您提供優質的服務。
- 下一篇:管網疊壓供水設備基本組成及運行方式
- 上一篇:2BV型水環式真空泵結構說明







