2BV型水環式真空泵工作原理
時間:2013-2-4 來源:揚子江泵業 瀏覽數:672
一、2BV水環式真空泵的用途及使用范圍:
2BV系列水環真空泵為整體結構—機泵同軸的單級泵。軸封采用機械密封,具有結構簡單,安裝簡捷、無油、安全可靠等特點。
2BV系列水環真空泵適于抽除氣體和濕潤蒸汽,吸氣壓力可達到33mbar絕壓(97%真空度),當2BV水環式真空泵在吸氣壓力低于80mbar的狀態下長期工作時,應聯接汽蝕保護管以對泵進行保護,2BV水環式真空泵如配大氣噴射器吸氣壓力可達10mbar,噴射器可直接安裝在真空泵吸氣口上,作為壓縮機使用時,其壓力大至0.26MPa(絕壓)。
2BV系列水環真空泵及壓縮機被廣泛用于石油、化工、制藥、食品、制糖工業等領域。由于在工作過程中,氣體的壓縮過程是等溫的,所以在壓縮和抽吸易燃易爆氣體時,不易發生爆炸,所以其應用更加廣泛。
二、2BV水環式真空泵的工作原理:
2BV水環式真空泵如圖(1)所示葉輪3偏心地安裝在泵體之內,起動時向泵內注入一定高度的水,因此當葉輪3旋轉時,水受離心力的作用而在泵體內壁形成一旋轉水環1,水環下部內表面與輪轂相切,沿箭頭方向旋轉,在前半轉過程中,2BV水環式真空泵水環內表面逐漸與輪轂脫離,因此在葉輪葉片間與水環形成封閉空間,隨著葉輪的旋轉,該空間逐漸擴大,空間氣體壓力降低,氣體自圓盤吸氣口被吸入;在后半轉過程中,水環內表面逐漸與輪轂靠近,葉片間的空間逐漸縮小,空間氣體壓力升高,高于排氣口壓力時,葉片間的氣體自圓盤排氣口被排出。如此葉輪每轉動一周,葉片間的空間吸排氣一次,許多空間不停地工作,2BV水環式真空泵就連續不斷地抽吸或壓送氣體。
2BV水環式真空泵由于在工作過程中,做功產生熱量,會使工作水環發熱,同時一部分水和氣體一起被排周,因此,在工作過程中,必須不斷地給泵供水,以冷卻和補充泵內消耗的水,滿足泵的工作要求。
當2BV水環式真空泵排出的氣體不再利用時,在2BV水環式真空泵排氣口上接有氣水分離器,廢氣和所帶的部分水排入氣水分離器后,氣水分離,氣體由排氣管排出,留下的水經回水管供至泵內繼續使用。隨著工作時間的延長,工作水溫度會不斷地升高,這時需從供水管供給冷水,以降低工作水的溫度,保證泵能達到所要求的技術要求和性能指標。
![]() |
| 1、水環。2、泵蓋。3、葉輪。4、吸氣口。5、排氣口 |
|
圖1 水環真空泵及壓縮機工作原理圖
|
當2BV水環式真空泵作為壓縮機使用時,泵排氣口接有氣水分離器,氣水混合物進入氣水分離器后自動分,氣體由排氣管輸送到所需系統而工作水經過分離器進入2BV水環式真空泵內。壓縮氣體時,工作水極易熱,水由泵排氣口排出,溫度會變的較高,要由供水管不斷地供給冷水.以補充被放走的水,同時起冷卻作用,使工作水溫度不致過高,從而保證壓縮機性能,達能技術指標,滿工藝要求。
三、2BV水環式真空泵的結構說明:
2BV水環式真空泵的結構如圖2、圖3,圖4所示
![]() |
![]() |
|
圖2 2BV-2060/2061/2070/2071水環泵結構圖
|
圖3 2BV-5110/5111/5121/5131/5161水環泵結構圖
|
|
1.泵蓋 2.園盤 3.平鍵 4.葉輪 5.機械密封 6.泵體 7.電動機
|
1.泵蓋 2.園盤 3.平鍵 4.葉輪 5.機械密封 6.泵體 7.電動機
|
![]() |
|
圖4 2BV-6110/6111/6121/6131/6161水環泵結構圖
|
|
1.泵蓋 2.園盤 3.平鍵 4.葉輪 5.機械密封 6.泵體 7.電動機
|
2BV真空泵的密封采用機械密封,機械密封安裝在葉輪和泵體間。由機械密封定出葉輪與泵體之間的間隙。
在2BV真空泵蓋上安裝有園盤,園盤上設有吸、排氣孔和柔性排氣閥片,柔性閥片的作用是當葉輪葉片間的氣體壓力達到排氣壓力時,在排氣口以前就將氣體排出,減少了因氣體壓力過大而消耗的功率、從而降低率消耗。
四、2BV水環式真空泵的產品說明:
2BV真空泵及壓縮機系統由真空泵(壓縮機)、電動機、氣水分離器管路組成,如圖5所示。
2BV真空泵及壓縮機與氣水分離器的工作過程如下:氣體由管路經閥門進入2BV真空泵或壓縮機,然后經排氣管進入氣水分離器中,經氣水分離器排氣管排出。當作為壓縮機使用時,經壓縮機排出的氣水混合物在氣水分離器中分離后,氣體經閥門輸送到需要壓縮氣體的系統上去。2BV真空泵或壓縮機內的工作水是由氣水分離器不經冷卻排至真空泵重新使用,其余工作水由供水管補充,供水量的大小,由供水管上的閥門來調整。
氣體抽吸和壓送系統的區別僅在于氣水分離器的內部構造有所不同。抽吸氣體時,吸氣口壓力低于大氣壓,而排氣口壓力等于大氣壓,氣水分離器有溢水管;壓送氣體時,吸氣口為常壓(也可為真空狀態),排氣口壓力高于一個大氣壓,為保證輸送氣體壓力,氣水分離器的水位通過溢水開關來控制。
![]() |
|
圖5 2BV 水環泵系統示意圖
|
|
1. 2BV 真空泵 2. 供水管 3. 逆止閥 4. 吸氣管 5. 氣水分離器 6. 排氣管 7. 溢水管
|
五、2BV水環式真空泵的主要技術數據:
|
產品型號
|
極限壓力
Mbar(Pa)
|
大氣量
M3/min
|
功 率
KW
|
轉 速
Rpm
|
水耗量
L/min
|
噪 聲
dB(A)
|
重 量
Kg
|
|
2060
|
33(3300)
|
0.45
|
1.1
|
2880
|
~2
|
62
|
20
|
|
2061
|
33(3300)
|
0.87
|
1.5
|
2880
|
~2
|
65
|
22
|
|
2070
|
33(3300)
|
1.33
|
2.35
|
2880
|
~2.5
|
66
|
31
|
|
2071
|
33(3300)
|
1.83
|
3.85
|
2880
|
~4.2
|
72
|
42
|
|
5110
|
33(3300)
|
2.75
|
4
|
1450
|
~7
|
63
|
78
|
|
5111
|
33(3300)
|
3.83
|
5.5
|
1450
|
~8.5
|
68
|
100
|
|
5121
|
33(3300)
|
4.68
|
7.5
|
1450
|
~10
|
69
|
145
|
|
5131
|
33(3300)
|
6.68
|
11
|
1450
|
~15
|
73
|
165
|
|
5161
|
33(3300)
|
8.3
|
15
|
970
|
~20
|
74
|
252
|
|
6110
|
33(3300)
|
2.75
|
4
|
1450
|
~7
|
63
|
107
|
|
6111
|
33(3300)
|
3.83
|
5.5
|
1450
|
~8.5
|
68
|
142
|
|
6121
|
33(3300)
|
4.68
|
7.5
|
1450
|
~10
|
69
|
198
|
|
6131
|
33(3300)
|
6.68
|
11
|
1450
|
~15
|
73
|
238
|
|
6161
|
33(3300)
|
8.3
|
15
|
970
|
~20
|
74
|
350
|
注:1、表中所列數據在下列技術條件下測出:
① 大氣壓力101325Pa(1013mbar)
② 進水溫度15℃
③ 吸入空氣溫度20℃
④ 空氣相對濕度70%
2、 性能允許偏差±10%
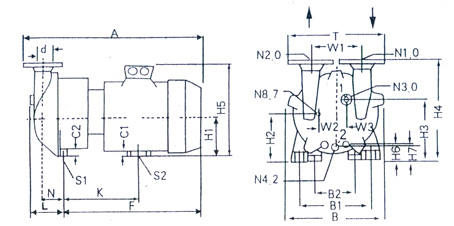
六、2BV水環式真空泵的安裝尺寸:
![]() |
![]() |
|
2BV-2060/2061/2070/2071水環真空泵外形尺寸
|
|
| A | B | B1 | H1 | H2 | H3 | H4 | H6 | E | P2 | P3 | R | M | S2 | W1 | W2 | W3 | d | N3.0 | N4.2 | N8.7 | |
| 2060 | 455 | 186 | 140 | 90 | 118 | 126 | 195 | 37.5 | 100 | 250 | 180 | 217 | 244 | Φ10 | 110 | 26 | 21 | G1″ | G3/8″ | G1/4″ | G3/8″ |
| 2061 | 476 | 186 | 140 | 90 | 118 | 195 | 195 | 37.5 | 100 | 250 | 180 | 236 | 263 | Φ10 | 110 | 26 | 21 | G1″ | G3/8″ | G1/4″ | G3/8″ |
| 2070 | 545 | 223 | 160 | 222 | 100 | 128 | 222 | 33 | 140 | 270 | 203 | 252 | 280 | Φ12 | 110 | 33 | 27 | G1 |
G3/8″ | G1/4″ | G3/8″ |
| 2071 | 566 | 223 | 234 | 140 | 112 | 140 | 234 | 45 | 190 | 300 | 225 | 278 | 309 | Φ12 | 110 | 33 | 37 | G1 |
G3/8″ | G1/4″ | G3/8″ |
![]() |
![]() |
|
N1.0 吸氣口。N2.0 排氣口。N3.0 工作液接口。N4.2 排水口。N8.7 氣蝕保護(內置)
|
|
|
2BV-5110/5111/5121/5131/5161水環真空泵外形尺寸
|
|
| A | B | B1 | B2 | C1 | C2 | H1 | H2 | H3 | H4 | H5 | H6 | H7 | F | K | L | N | T | S1 | S2 | d1 | d2 | d3 | d4 | d5 | W1 | |
| 5110 | 637 | 325 | 255 | 190 | 41 | 26 | 140 | 156 | 202 | 361 | 328 | 38 | 57 | 464 | 320 | 130 | 92 | 340 | Φ12 | Φ12 | 19 | 160 | 123 | 97 | 52 | 180 |
| 5111 | 672 | 325 | 265 | 290 | 38 | 26 | 150 | 166 | 212 | 371 | 363 | 48 | 68 | 500 | 325 | 130 | 92 | 340 | Φ12 | Φ12 | 19 | 160 | 123 | 97 | 52 | 180 |
| 5121 | 771 | 347 | 265 | 290 | 36 | 26 | 150 | 167 | 217 | 385 | 363 | 39 | 60 | 584 | 410 | 147 | 97 | 382 | Φ12 | Φ12 | 19 | 182 | 142 | 113 | 67 | 200 |
| 5131 | 840 | 377 | 300 | 335 | 35 | 30 | 175 | 194 | 249 | 427 | 435 | 53 | 76 | 659 | 440 | 147 | 103 | 382 | Φ12 | Φ12 | 19 | 182 | 142 | 113 | 67 | 200 |
| 5161 | 1044 | 479 | 370 | 389 | 52 | 30 | 210 | 225 | 303 | 521 | 485 | 51 | 80 | 808 | 570 | 201 | 138 | 450 | Φ15 | Φ15 | 22 | 200 | 156 | 130 | 80 | 250 |
| W2 | W3 | d(N1.0,N2.0) | N3.0 | N4.2 | N8.7 | |
| 5110 | 52 | 27 | DN50/2″ | G3/4″(絲長24) | G3/8″(絲長25) | G3/8″(絲長11) |
| 5111 | 52 | 27 | DN50/2″ | G3/4″(絲長24) | G3/8″(絲長25) | G3/8″(絲長11) |
| 5121 | 57 | 29 | DN65/2 |
G3/4″(絲長24) | G3/8″(絲長25) | G3/8″(絲長11) |
| 5131 | 63 | 32 | DN65/2 |
G3/4″(絲長24) | G3/8″(絲長25) | G3/8″(絲長11) |
| 5161 | 81 | 41 | DN80/3″ | G3/4″(絲長24) | G3/8″(絲長25) | G3/8″(絲長11) |
![]() |
![]() |
![]() |
![]() |
|
N1.0 吸氣口、N2.0 排氣口、N3.0 工作液接口、N4.2 排水口、N8.7 氣蝕保護(內置)
|
|
|
2BV-6110/6111/6121/6161/水環真空泵外形尺寸
|
|
| Amax | B | B1 | C1 | F1 | F2max | H1 | H2 | H3 | H4 | H6 | H7 | K | L | N | |
| 6110-H..0 | 1097 | 330 | 255 | 26 | 291 | 446 | 160 | 173 | 223 | 381 | 58 | 77 | 319 | 319 | 281 |
| 6110-K..0 | 1190 | 330 | 255 | 26 | 291 | 540 | 160 | 173 | 223 | 381 | 58 | 77 | 319 | 319 | 281 |
| 6111-K..0 | 1291 | 330 | 279 | 26 | 360 | 500 | 180 | 196 | 242 | 401 | 78 | 97 | 349 | 349 | 311 |
| 6121-K..0 | 1332 | 351 | 279 | 26 | 361 | 540 | 180 | 197 | 247 | 415 | 69 | 90 | 384 | 384 | 340 |
| 6131-K..0 | 1525 | 382 | 320 | 26 | 461 | 615 | 215 | 234 | 287 | 467 | 93 | 116 | 405 | 405 | 353 |
| 6161-K..0 | 1680 | 484 | 320 | 26 | 461 | 705 | 230 | 230 | 310 | 526 | 56 | 85 | 477 | 477 | 413 |
| W1 | W2 | W3 | S1 | T | d1 | d2 | d3 | d4 | d5 | d(N1.0, N2.0) | N3.0 | N4.2 | N8.7 | |
|
6110-0..... |
180 | 52 | 27 | Φ13×23 | 340 | 19 | 160 | 123 | 97 | 52 | DN50/2″ | ″DN15+G3/4″(絲長24) | G3/8″(絲長25) | G3/8″(絲長11) |
|
6110-0..... |
80 | 52 | 27 | Φ13×23 | 340 | 19 | 160 | 123 | 97 | 52 | DN50/2″ | ″DN15+G3/4″(絲長24) | G3/8″(絲長25) | G3/8″(絲長11) |
| 6121-0..... | 200 | 57 | 29 | Φ13×23 | 382 | 19 | 182 | 142 | 113 | 67 | DN60/21/2″ | ″DN15+G3/4″(絲長24) | G3/8″(絲長25) | G3/8″(絲長11) |
| 6131-0..... | 200 | 63 | 29 | Φ13×27 | 382 | 19 | 182 | 142 | 113 | 67 | DN60/21/2″ | ″DN15+G3/4″(絲長24) | G3/8″(絲長25) | G3/8″(絲長11) |
| 6161-0..... | 250 | 81 | 41 | Φ13×27 | 450 | 22 | 200 | 156 | 130 | 80 | DN80/3″ | ″DN15+G3/4″(絲長24) | G3/8″(絲長25) | G3/8″(絲長11) |
七、2BV水環式真空泵的設備安裝
1、水環真空泵的安裝:
水環真空泵和壓縮機在安裝時,安裝面必須水平,并通過底角的孔用螺栓安裝牢固。為防止在安裝時焊渣進入真空泵,在安裝時,應在吸氣管上安裝上過濾網。
2、水環真空泵氣水分離器的安裝
水環真空泵氣水分離器可直接安裝在水環真空泵的排氣口上,并用螺栓固定牢固。氣水分離器有一管路與泵相連,由此供給水環真空泵工作需水量,其余工作水由供水管供給,供水量大小由管路上的閥門調節。
水環真空泵或壓縮機的進氣管上應裝有逆止閥,以便在停車時,防止真空泵或壓縮機內的水在排氣管方面的壓力作用下返回系統。
八、2BV水環式真空泵的啟動及停車
1、水環真空泵啟動
水環真空泵長期停車的泵在開動以前,必須用手轉動數圈,以證實水環真空泵內沒有卡住或其它損壞現象。
水環真空泵啟動按以下順序進行(參見圖5)
(1)打開排氣管閥門。
(2)啟動電動機(應注意電機的正反轉)
(3)迅速打開圖5供水管2。逐漸增加供水量,至供水量符合規定要求為止,(應注意不要干運行真空泵)。
2、水環真空泵停車
水環真空泵停車按以下順序:
(1)(如進氣管有閥門)關閉進氣管上的閥門。
(2)關閉供水管2,并迅速關停真空泵。
(3)停車后應將泵腔內的水放掉,以免再次啟動時,會造成葉片與泵軸斷裂。
九、2BV水環式真空泵的維護
1、2BV型水環式真空泵為避免磨損葉輪、泵體或卡住葉輪,隨氣體和工作液進入泵腔的灰塵顆粒,可通過2BV型水環式真空泵泵底部的沖洗口沖洗掉。
2、如果用硬水作工作液,須經軟化,或在一定周期內用溶液清洗泵。
3、2BV型水環式真空泵電動機常工作的軸承比周圍溫度高15℃~20℃,高不允許超過55℃~60℃,正常工作的軸承每年應裝油1-2次,每年至少清洗軸承一次,并將潤滑油全部更換。
4、2BV型水環式真空泵采用的機械密封,出現泄漏現象,應檢查機械密封的動、靜環是否已損壞,或是密封圈已老化,如出現上述情況,均需更換新零件。
十、2BV水環式真空泵的故障和消除方法
| 2BV型水環式真空泵故障現象 | 2BV型水環式真空泵可能原因 | 2BV型水環式真空泵排除方法 |
| 2BV真空泵電機不起動;無聲音 | 兩根電源線斷裂 | 檢查接線 |
| 電機不起動;有嗡嗡聲 | 一根接線斷,電機轉子堵轉 葉輪故障 電機軸承故障 |
必要時排空清潔泵,修正葉輪間隙 換葉輪 換軸承 |
| 電機開動時,電流斷路器跳閘 | 繞組短路 電機過載 排氣壓力過高 工作液過多 |
檢查電機繞組 降低工作液流量 降低排氣壓力 減少工作液 |
| 消耗功率過高 | 產生沉淀 | 清潔、除掉沉淀 |
| 2BV真空泵不產生真空 | 無工作液 系統泄漏嚴重 旋轉方向錯 |
檢查工作液 修復泄漏處 更換兩根導線改變旋轉方向 |
| 2BV真空泵真空度太低 | 泵太小 工作液流量太小 工作液溫度過高(<15℃) 磨蝕 系統輕度泄漏 密封泄漏 |
用大一點的泵 加大工作液流量 冷卻工作液,加大流量 更換零件 修復泄漏處 檢查密封 |
| 2BV真空泵尖銳噪聲 | 產生氣蝕 工作液流量過高 |
聯接氣體蝕保護件 檢查工作液,降低流量 |
| 2BV真空泵泄漏 | 密封墊壞 | 檢查所有密封面 |
感謝您訪問我們揚子江泵業的網站m.ixunmeng.cn,如有任何水泵疑問我們一定會盡心盡力為您提供優質的服務.
- 下一篇:2BE不銹鋼水環式真空泵耗水量
- 上一篇:耐酸泵要如何選型


















