|
一、2XZ型旋片式真空泵概述:
2XZ型旋片式真空泵為雙級直聯結構,它的工作性能由高壓級與低壓級二部份組成,它的吸入口與真空設備連接,在運轉時將容器內的氣體大量吸入與排出,當設備獲得真空時,高壓級排氣閥封閉,高壓級入口的氣體將轉送到第二級,并經第二級吸入與排出真空設備可獲得了一定的真空,2XZ型旋片式真空泵的技術參數為6×10-2 Pa,泵與電機連軸,高轉速,外型小,結構緊湊,流動性工作方便,可用于電真空器件制造、保溫瓶制造、真空焊接、印刷、吸塑、制冷設備修理以及儀器儀表配套等。因為它具有體積小、質量輕、操聲低等優點,所以更適宜于實驗室里使用。
二、2XZ型旋片式真空泵的型號意義:

三、2XZ型旋片式真空泵的性能參數表:
|
|
參數/型號
|
2XZ-0.25
|
2XZ-0.5
|
2XZ-1
|
2XZ-2
|
2XZ-4
|
|
抽氣速率m3/h(L/S)
|
50(HZ)
|
0.9(0.25)
|
1.8(0.5)
|
3.6(1)
|
7.2(2)
|
14.4(4)
|
|
60(HZ)
|
1.1(0.3)
|
2.1(0.6)
|
4.3(1.2)
|
8.6(2.4)
|
17.2(4.8)
|
|
極限壓力
(Pa)
|
分壓力
|
≤6×10-1
|
≤6×10-2
|
≤6×10-2
|
≤6×10-2
|
≤6×10-2
|
|
全壓力
|
≤6.5
|
≤1.33
|
≤1.33
|
≤1.33
|
≤1.33
|
|
50HZ
|
轉速(r/min)
|
1400
|
1400
|
1400
|
1400
|
1400
|
|
60HZ
|
轉速(r/min)
|
1720
|
1720
|
1720
|
1720
|
1720
|
|
電機功率(kw)
|
0.12
|
0.18
|
0.25
|
0.37
|
0.55
|
|
電源電壓(V)
|
220
|
220/380
|
220/380
|
220/380
|
220/380
|
|
進氣口口徑(mm)(外徑)
|
φ15
|
φ20
|
φ20
|
φ30
|
φ30
|
|
噪音(dBA)
|
63
|
65
|
65
|
68
|
68
|
|
容油量 (L)
|
0.5
|
0.6
|
0.7
|
1
|
1.2
|
|
外形尺寸(mm)
|
403×130×240
|
447×168×260
|
469×168×260
|
514×168×282
|
565×168×282
|
|
重量(Kg)毛重/凈重
|
16/15
|
17/16
|
18/17
|
22/20
|
24/22
|
|
參數/型號
|
2XZ-6
|
2XZ-8
|
2XZ-15
|
2XZ-25
|
|
抽氣速率(L/s)
|
50(HZ)
|
21.6(6)
|
28.8(8)
|
54(15)
|
90(25)
|
|
60(HZ)
|
26(7.2)
|
34.5(9.6)
|
64.8(18)
|
108(30)
|
|
極限壓力
|
分壓力
|
≤4×10-2
|
≤4×10-2
|
≤4×10-2
|
≤4×10-2
|
|
(Pa)
|
全壓力
|
≤1
|
≤1
|
≤1
|
≤1
|
|
轉速(r/min)
|
50(HZ)
|
1400
|
1400
|
1400
|
1400
|
|
60(HZ)
|
1720
|
1720
|
1720
|
1720
|
|
電機功率(kw)
|
0.75
|
1.1
|
1.5
|
2.2
|
|
電源電壓(V)
|
380
|
380
|
380
|
380
|
|
進氣口口徑(mm)
|
KF -40
|
KF -40
|
KF -40
|
KF -50
|
|
噪音(dBA)
|
68
|
70
|
70
|
72
|
|
容油量(L)
|
2
|
3
|
4
|
5
|
|
外形尺寸(mm)
|
565×200×342
|
650×240×430
|
700×240×430
|
770×240×430
|
|
毛重/凈重(Kg)
|
50/40
|
70/60
|
86/75
|
98/85
|
|
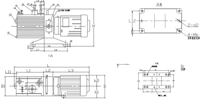
四、2XZ型旋片式真空泵的工作原理及結構圖:
2XZ旋片式真空泵系雙級高速直聯結構旋片式真空泵。它有偏心地裝在泵腔內的轉子,及轉子槽內的旋片。轉子帶動旋片轉時,旋片緊貼腔壁,把進、排氣口分隔開來,并使進氣積腔容積周期性地擴大而吸氣,排氣腔容積則周期性地縮小而壓縮氣體,推開排氣閥排氣,從而獲得真空。圖一為2XZ型旋片式真空泵工作原理示意圖。雙級是兩個單級串聯而成。 |
圖一:2XZ型旋片式真空泵的結構圖
|
| 五、2XZ型旋片式真空泵的安裝尺寸表: |
|
|
|
型號
|
矩形管
|
L7
|
L8
|
L6
|
L’6
|
L12
|
L’12
|
|
2XZ-0.25
|
30×20
|
61
|
156
|
175
|
|
70
|
109
|
|
2XZ-0.5/1
|
30×20
|
73
|
182
|
240
|
7.5
|
88
|
118
|
|
2XZ-2/4
|
40×25
|
102
|
188
|
270
|
10
|
94
|
134
|
|
2XZ-8
|
40×25
|
102
|
192
|
255
|
19.5
|
140
|
180
|
|
|
|
|
型號
|
L
|
L1
|
L2
|
L3
|
l
|
l1
|
l2
|
W
|
W1
|
W2
|
w1
|
w2
|
H1
|
H2
|
DN
|
KF
|
Φd
|
|
2XZ-6
|
550
|
220
|
105
|
64
|
302
|
250
|
85
|
175
|
55
|
66
|
136
|
182
|
315
|
280
|
25
|
40
|
7
|
|
2XZ-8
|
624
|
255
|
175
|
64
|
495
|
455
|
180
|
238
|
75
|
100
|
182
|
232
|
414
|
388
|
25
|
40
|
8
|
|
2XZ-15
|
703
|
315
|
175
|
64
|
495
|
455
|
180
|
238
|
75
|
100
|
182
|
232
|
414
|
388
|
25
|
40
|
8
|
|
2XZ-25
|
743
|
355
|
175
|
64
|
495
|
455
|
180
|
238
|
75
|
100
|
182
|
232
|
414
|
388
|
25
|
50
|
8
|
|
|
六、2XZ型旋片式真空泵的特點:
2XZ型旋片式真空泵具有體積小,重量輕、噪聲低、起動方便等優點。此外,還有防止返油的措施(2XZ-8)和無防止油封漏油污染場地的措施。
1、2XZ型旋片式真空泵是獲得真空的基本設備,它可單獨作用,亦可作為各類高真空系統的前級泵和預抽泵組成羅茨旋片真空機組。
2、2XZ型旋片式真空泵進氣口連續敞通大氣運轉,不得超過三分鐘。
3、泵不適用于抽除對金屬有腐蝕性的,對泵油起化學反應的、含有顆粒塵埃的氣體,以體含氧過高的,有爆炸性的氣體。
4、泵有得作壓縮泵或輸送泵用。
5、2XZ型旋片式真空泵的工作環境:溫度5℃-40℃范圍內,相對溫度不大于90%,進氣口壓強小于1333Pa的條件下允許長期連續運轉。
6、裝接電源時,按電機標牌的規定接線,應注意電機旋轉方向與支座上的箭頭方向一致。
7、連續被抽容器的管道,其直徑應不小于泵的進氣口直徑,且管道應短和彎頭少,同時注意管道的泄漏。
8、每次起動前著重查看油位,以停泵時注油至油標玻璃直徑的4/5高度為宜。
9、具泵油采用清潔的1號或100號真空泵油。
10、2XZ型旋片式真空泵可在通大氣或任何真空度下一次起動。XZ-1單級型泵如果起動困難,可撥掉進氣管塞帽起動,隨后投入運轉。
七、2XZ型旋片式真空泵操作須知:
1.查看油位,以停泵時注油至油標中心為宜。過低對排氣閥不能起油封作用,影響真空度。過高,可能會引起通大氣起動時噴油。運轉時,油位有所升高,屬正常現象。油采用規定牌號的清潔真空泵油,從加油孔加入。加油畢后,應旋一上螺塞。油宜經過濾,以免雜物進入2XZ型旋片式真空泵,堵塞油孔。
2.2XZ型旋片式真空泵可在通大氣或任何真空度下一次起動。泵口如裝接真空閥,應與2XZ真空泵同時動作。
3.環境溫度過高時,油的溫度升高,粘度下降,飽和蒸汽壓會增大,會引起2XZ型旋片式真空泵極限真空有所下降,特別是用熱偶計測得的全壓強。如加強通風散熱,或改善泵油性能,極限真空可得到改善。
4.檢查2XZ型旋片式真空泵的極限真空以壓縮式水銀真空計為準,如計經充分預抽校驗,泵溫達到穩定,泵口與計直接接通,運轉30分鐘內,將達到極限真空?倝簭娪嫓y得之值與泵油和真空計、規管誤差有關,有時誤差甚至可很大,只能作參考。
5.如相對濕度較高,或被抽氣體含較多可凝性蒸汽,接通被抽容器后,宜打開氣鎮閥,運轉20~40分鐘后關閉氣鎮閥。停泵前,可開氣鎮閥空載運動30分鐘,以延長2XZ型旋片式真空泵泵油壽命。
6.2XZ型旋片式真空泵用油選擇:泵油的粘度影響起動功率和泵的極限真空,粘度高時對真空度有利,起動功率則大一些。油在泵溫下的飽和蒸汽壓則會影響泵的極限總壓強,越低越好。高速真空泵油和3#擴散泵油的粘度較1號真空泵油大,飽和蒸汽壓較1號真空泵油低,但3#擴散泵油價格較高。具體選什么油,可根據上述介紹結合具體使用要求來選擇。
(1)一般情況下,凡希望總壓強在6X10-2帕以上的應用上海飛魯真空泵油。4升/秒以下小泵也可用1號真空油泵代,8升/秒以上直聯泵可用3#擴散泵油代。
(2)如果對真空度要求不高,且油的污染更換頻繁,真空泵油供應困難,可采用50號機械油代替。
(3)如果環境溫度低,起動困難,極限真空要求不高,可采用粘度較上略低的真空泵油或機械油。
八、2XZ型旋片式真空的維護和保養:
①、2XZ型旋片式真空泵注意事項:
1.保證泵的清潔,防止雜物進入泵內。
2.保持油位。
3.注意觀察油的清潔,若泵油變臟、混濁、水份或其它揮發性物質進入2XZ型旋片式真空泵內而影響極限真空時,可開氣鎮閥凈化之,觀察極限真空回升情況,數小時無效,應更換泵油,必要時可再次更換。換油方法:泵運轉約半小時,使油變稀,停泵從放油孔放油,再敞開進氣口運轉10~20秒鐘,此間可從吸氣口緩緩加入少量清潔泵油,以更換泵腔內存油。如出來的油很臟,后者可重復進行。
4.不可混入柴油、汽油等其它飽和蒸汽壓較大的油類,以免降低極限真空。拆洗2XZ型旋片式真空泵內零件時,一般用紗布擦拭即可以。有金屬碎屑、砂泥或其它有害物質必須清洗時,可用汽油等擦洗,干燥后方可裝配,切忌用汽油浸泡。
5.倘若因泵需拆開清洗或檢修,必須注意拆裝步驟,以免損壞機件。
②、2XZ型旋片式真空泵拆裝步驟簡述如下:
(一)、拆卸2XZ型旋片式真空泵:
1.放油
2.松開進氣咀法蘭螺釘,拔出進氣咀,松開氣鎮閥法蘭螺釘,拔出氣鎮閥。
3.拆下2XZ型旋片式真空泵油箱。
4.拆除止回閥開口銷,拆下止回閥葉輪。
5.拆除支座與泵的連接螺釘,拆下2XZ型旋片式真空泵裝件,電機拆否視方便而定。
6.松開泵蓋螺釘,拆下泵蓋,拉出二轉子及旋片。拆下低級轉子時,麻先拆下開口銷。
(二)、裝配2XZ型旋片式真空泵:
1.用紗布擦凈零件,防止回絲堵塞油孔,好用清洗液和刷子清洗。
2.把旋片裝入轉子槽內后,把高級轉子裝入定子即泉身內,裝L高級泵蓋、銷、螺釘、鍵、聯軸節,用手旋轉,應無泄阻和明顯輕重,裝時應使定子頂面朝下,以借助重力使轉子貼近定子圓弧面,此間隙好在0.0lmm。
3.低級轉子裝配方法同上。
4.裝上2XZ型旋片式真空泵止回閥葉輪等止回零件,應使止回閥頭平面對準進油咀油孔,按工作時的轉向旋轉轉子并用手輕輕反向擋住葉輪,油孔應時開時閉,調整閥頭平面大開啟高度為O.8~1.2毫米,具體可移動止回閥座、橡膠止回閥頭在閥桿孔中的位置來實現。簡便查法:面對葉輪,使Φ3mm傳動銷處于右手水平位置,順時針方向撥動葉輪,此時止回閥頭平面的開啟高度近于大,應為0.8~1.2mm。轉子停止在任何位置,手從葉輪上松開后,止回閥頭應自動落下關閉油孔。
5.裝上2XZ型旋片式真空泵的排氣閥、擋油板等零件。
6.把泵部、鍵、聯軸節、電機裝在支座上。
7.裝油箱。
8.插入進氣咀,氣鎮閥,裝上法蘭固緊。
注意:1、裝配時2XZ型旋片式真空泵磨擦面涂上清潔真空泵油。2、記住零件原裝配位置,可減少跑合時間。3、緊固件應無松動。
|