你的位置:網站首頁 >> 閥門知識 >> 2BV7系列分體式水環真空泵外形示意圖
2BV7系列分體式水環真空泵外形示意圖
時間:2012-10-31 來源:揚子江泵業 瀏覽數:1089
2BV7系列分體式水環真空泵外形示意圖


結構及特點:
2BV7分體式水環真空泵,是集2BV5、2SK優點于一身的一種新型真空泵。該泵具有節能高效、結構合理、維修方便、無油、無泄漏、同等功率抽速大、真空度高等特點。
該泵廣泛應用于防爆化工、真空擠磚機、塑料制管、印染、制藥、食品、制糖、建材等領域。
主要技術性能指標:
|
型號
|
抽氣量m3/min
|
極限壓力MPa
|
輸入功率kw
|
轉速r/min
|
工作液流量m3/h
|
|
2BV7110
|
2.7
|
0.098
|
4
|
1440
|
0.4
|
|
2BV7111
|
3.8
|
0.098
|
5.5
|
1440
|
0.5
|
|
2BV7121
|
4.6
|
0.098
|
7.5
|
1440
|
0.6
|
|
2BV7131
|
6.6
|
0.098
|
11
|
1440
|
0.9
|
|
2BV7161
|
8.3
|
0.098
|
15
|
970
|
1.2
|
|
2BV7171
|
10
|
0.098
|
18.5
|
1150
|
1.2
|
|
2BV7181
|
12
|
0.098
|
22
|
1250
|
1.2
|
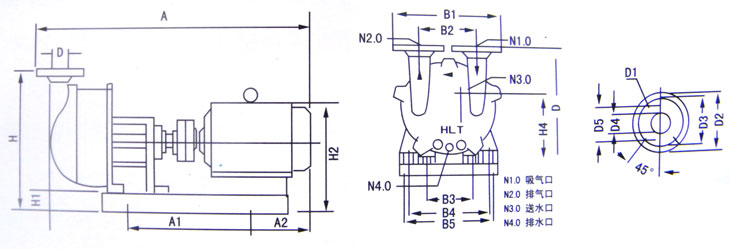
外形及安裝尺寸:
|
型號
|
A
|
A1
|
A2
|
B1
|
B2
|
B3
|
B4
|
B5
|
D
|
D1
|
D2
|
D3
|
D4
|
D5
|
H
|
H1
|
H2
|
H3
|
H4
|
|
2BV7110
|
1080
|
600
|
300
|
340
|
180
|
180
|
255
|
300
|
2″
|
16
|
160
|
123
|
52
|
97
|
370
|
8
|
335
|
361
|
202
|
|
2BV7111
|
1100
|
600
|
300
|
340
|
180
|
180
|
265
|
300
|
2″
|
16
|
160
|
123
|
52
|
97
|
380
|
8
|
370
|
371
|
212
|
|
2BV7121
|
1115
|
625
|
330
|
382
|
200
|
200
|
265
|
325
|
2″
|
16
|
182
|
142
|
66.5
|
113
|
395
|
10
|
370
|
385
|
217
|
|
2BV7131
|
1300
|
625
|
350
|
382
|
200
|
200
|
300
|
325
|
2″
|
16
|
182
|
142
|
66.5
|
113
|
435
|
10
|
435
|
427
|
249
|
|
2BV7161
|
1550
|
800
|
450
|
430
|
250
|
250
|
370
|
350
|
2″
|
18
|
182
|
156
|
66.5
|
130
|
530
|
10
|
495
|
521
|
303
|
外形示意圖:

文章來源于揚子江泵業有限公司制作,歡迎訪問公司網站:http://m.ixunmeng.cn
- 下一篇:pp防爆型塑料插桶泵基本特點
- 上一篇:2BV6系列防爆水環式真空泵結構特點





