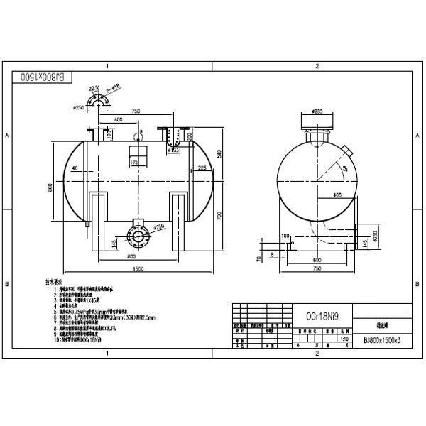
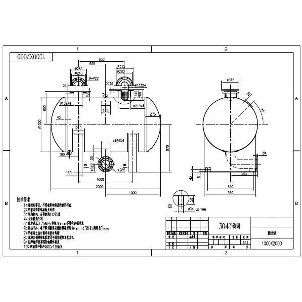
無負供水設備配各種尺寸無負壓罐安裝尺寸圖
時間:2014-9-22 來源:揚子江泵業 瀏覽數:1637
無負供水設備安裝尺寸圖:
無負壓穩壓給水設備是我公司專業技術人員在氣壓給水設備的基礎上開發的一種能直接與自來水管網連接、且對自來水管網不產生任何負作用的成套給水設備。它可以取代蓄水池,能直接供水或間接供水,形成連續密閉的接力增壓供水方式。避免了二次增壓供水系統造成的能源的二次浪費和二次污染,我公司生產的設備與其它廠家的產品不同,因解決了自動采樣控制等有關技術方面問題。而采用的是不銹鋼負壓罐,完全保證水源與空氣隔絕。絕對保持了市政水質標準;充分利用市政水源本身壓力勢能,差多少,補多少,切實有效地、大限度地發揮了變頻調速的節能效果;大幅度地節省了基建投資并縮短了施工工期。
產品設計中很好地解決了接力增壓供水方式帶來的2大問題:
1)水泵大幅變工況運行問題。設計了全變頻控制系統。可更好的適應于水泵在大幅工況運行問題。
2)特別配套設計了各種緩沖罐、水源罐,對市政水源有很好的緩沖與削峰補償作用,避免對市政水源的過度抽吸。
產品設計充分考慮應用的靈活性,自適應性強,可滿足不同用戶具體工程應用要求的差異。
無負壓供水設備工作條件
安裝條件:具有足夠承重能力的混凝土平臺或能保證正常工作要求的平整地面
電源:TN-S制、3相5線、380V(+10%、-15%)、50Hz(±5%)、接地電阻小于4歐
環境:室內安裝使用、0-40℃不凍結、90%RH以下不結露、無腐蝕、易燃、易爆氣體
海拔1000m以下,5.9m/s(0.6g)以下
無負壓供水設備特點
1、 無需建高位水箱、地面(地下)水池水箱-潔凈衛生、高效、節能、節資
WFG系列無負壓給水設備經濟衛生、充分利用市政水源本身壓力勢能,大限度地發揮了變頻調速的節能效果。實踐證明:使用直聯式無負壓給水設備可節省50%以上的興建水池費用,與其他供水設備相比,可節電20%-40%。
2、 運行噪聲低
采用變頻調速運行,特別是采用全變頻控制系統,大部分時間特別是夜間處于低速低噪聲運行工況。
3、 采用全密閉的兼有緩沖及動態補償作用的隔膜罐,與目前市場上的普通無負壓給水設備更有實際意義。并使控制系統得以簡化。
4、產品先進,質量可靠,標準化程度高,通用性好
采用規范通用的控制系統技術方案,產品中關鍵零部件,如:電機、水泵軸承、變頻器、調節器、PLC、和其他元器件采用了國際、國內名牌,還可換用任意廠商的相應部件,調試維修方便。
5、功能全、智能化程度高,自適應性強采用了先進的變頻控制技術、軟起動、有過載,短路、過壓、欠壓、缺相、過熱和失速保護等功能。在異常情況下能進行信號報警、自檢、故障判斷等,還可根據用水量的高低自動調節供水流量。變頻器故障時自動降級運行(成為工頻自動給水設備),自動系統故障時,還可手動操作應急備用,贏得維修時間。
6、個性化設計、壽命長
若用戶需要,可設計符合用戶需要參數的設備及安裝形式。可按要求選配各種通訊接口、協議,從而可連接各種人機界面、監控計算機、可與各種控制網絡、通信網絡相接,適用于特殊、復雜生活恒壓變頻供水設備。






- 下一篇:QSP噴泉泵產品結構圖
- 上一篇:分析不銹鋼水箱水位的控制原理





