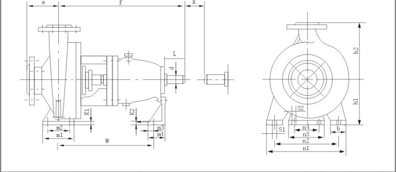
IH防爆不銹鋼化工離心泵結構原理示意圖
時間:2014-5-23 來源:揚子江泵業 瀏覽數:974
IH化工泵是單級單吸(軸向吸入)懸臂式離心泵是泵類產品中的標準化工泵產品,供輸送不含固體顆粒具有腐蝕性、粘度類似水的液體。不銹鋼化工泵其標記、額定性能和尺寸等效采用國際標準ISO2858,具有性能范圍廣、效率高、“三化”水平高和維修方便等特點,其效率比F型泵平均提高5%,是國家推廣的節能產品。
IH型不銹鋼化工泵產品用途:
IH型不銹鋼化工泵輸送介質溫度為-20℃~105℃,需要時采用雙端面密封冷卻裝置,可輸送介質溫度為300℃以下。適用于化工、石油、冶金、電力、造紙、食品、制藥、環保、廢水處理和合成纖維等行業用于輸送各種腐蝕的或不允許污染的類似于水的介質。
本司IH化工泵產品全部采用計算機設計和優化處理,公司擁有雄厚的技術力量、豐富的生產經驗和完善的檢測手段,從而保證產品質量的穩定可靠。
IH型不銹鋼化工泵技術參數:
流量:6.3~400m3/h;
揚程:5~132m;
轉速:2900、1450r/min;
功率:0.55~110KW;
進口直徑:50~200mm;
高工作壓力:1.6Mpa。
IH型不銹鋼化工泵型號意義:
IH 80-65-160A
IH - 國際標準化工離心泵
80 - 吸入口直徑mm
65 - 排出口直徑mm
160 - 葉輪名義直徑mm
A - 葉輪外徑經第一次切割
結構示意

IH型不銹鋼化工泵性能參數表
|
型 號 |
進口←
mm |
出口→
mm |
流量
m 3 /h |
揚程
m |
配用電機
|
葉輪直徑 mm
|
|
|
型號
|
功率KW
|
||||||
|
IH50-32-125
|
50
|
32
|
12.5
|
20
|
Y90L-2
|
2.2
|
125
|
|
IH50-32-125
|
50
|
32
|
6.3
|
5
|
Y801-4
|
0.55
|
125
|
|
IH50-32-160
|
50
|
32
|
12.5
|
32
|
Y100L-2
|
3
|
160
|
|
IH50-32-160
|
50
|
32
|
6.3
|
8
|
Y801-4
|
0.55
|
160
|
|
IH50-32-200
|
50
|
32
|
12.5
|
50
|
Y132S 1 -2
|
5.5
|
200
|
|
IH50-32-200
|
50
|
32
|
6.3
|
12.5
|
Y802-4
|
0.75
|
200
|
|
IH50-32-250
|
50
|
32
|
12.5
|
80
|
Y160M 1 -2
|
11
|
250
|
|
IH50-32-250
|
50
|
32
|
6.3
|
20
|
Y90S-4
|
1.5
|
250
|
|
IH65-50-125
|
65
|
50
|
25
|
20
|
Y100L-2
|
3
|
125
|
|
IH65-50-125
|
65
|
50
|
12.5
|
50
|
Y901-4
|
0.55
|
160
|
|
IH65-50-160
|
65
|
50
|
25
|
32
|
Y132S 1 -2
|
0.5
|
160
|
|
IH65-50-160
|
65
|
50
|
12.5
|
5
|
Y802-4
|
0.75
|
200
|
|
IH65-40-200
|
65
|
40
|
25
|
50
|
Y132S 2 -2
|
7.5
|
200
|
|
IH65-40-200
|
64
|
40
|
12.5
|
12.5
|
Y90S-4
|
1.1
|
250
|
|
IH65-40-250
|
64
|
40
|
25
|
80
|
Y160M 2 -2
|
15
|
250
|
|
IH65-40-250
|
65
|
40
|
12.5
|
20
|
Y100L 1 -4
|
2.2
|
125
|
|
IH80-65-125
|
80
|
65
|
50
|
20
|
Y132S 1 -2
|
5.5
|
125
|
|
IH80-65-125
|
80
|
65
|
25
|
5
|
Y802-4
|
0.75
|
160
|
|
IH80-65-160
|
80
|
65
|
50
|
32
|
Y132S 2 -2
|
7.5
|
160
|
|
IH80-65-160
|
80
|
65
|
25
|
8
|
Y90L-4
|
1.5
|
200
|
|
IH80-50-200
|
80
|
50
|
50
|
50
|
Y160M 2 -2
|
15
|
200
|
|
IH80-50-200
|
80
|
50
|
25
|
12.5
|
Y100L 1 -4
|
2.2
|
250
|
|
IH80-50-250
|
80
|
50
|
50
|
80
|
Y180M-2
|
22
|
315
|
|
IH80-50-250
|
80
|
50
|
25
|
20
|
Y100L 2 -4
|
3
|
315
|
|
IH80-50-315
|
80
|
50
|
50
|
125
|
Y200L 2 -2
|
37
|
125
|
|
IH80-50-315
|
80
|
50
|
25
|
32
|
Y132S-4 |
5.5
|
125
|
|
IH100-80-125
|
100
|
80
|
100
|
20
|
Y160M 1 -2
|
11
|
160
|
|
IH100-80-125
|
100
|
80
|
50
|
5
|
Y90L-4
|
1.5
|
160
|
|
IH100-80-160
|
100
|
80
|
100
|
32
|
Y160M 2 -2
|
15
|
200
|
|
IH100-80-160
|
100
|
80
|
50
|
8
|
Y100L 1 -4
|
2.2
|
200
|
|
IH100-65-200
|
100
|
65
|
100
|
50
|
Y180M-2
|
22
|
250
|
|
IH100-65-200
|
100
|
65
|
50
|
12.5
|
Y112M-4
|
4
|
250
|
|
IH100-65-250
|
100
|
65
|
100
|
80
|
Y200L 2 -4
|
37
|
315
|
|
IH100-65-250
|
100
|
65
|
50
|
20
|
Y132S-4
|
5.5
|
315
|
|
IH100-65-315
|
100
|
65
|
100
|
125
|
Y280S-2
|
75
|
200
|
|
IH100-65-315
|
100
|
65
|
50
|
32
|
Y160M-4
|
11
|
200
|
|
IH125-100-200
|
125
|
100
|
200
|
50
|
Y225M-2
|
45
|
250
|
|
IH125-100-200
|
125
|
100
|
100
|
12.5
|
Y132M-4
|
7.5
|
250
|
|
IH125-100-250
|
125
|
100
|
200
|
80
|
Y280S-2
|
75
|
315
|
|
IH125-100-250
|
125
|
100
|
100
|
20
|
Y160M-4
|
11
|
400
|
|
IH125-100-315
|
125
|
100
|
100
|
32
|
Y160L-4
|
15
|
250
|
|
IH125-100-400
|
125
|
100
|
100
|
50
|
Y200L-4
|
30
|
315
|
|
IH150-125-250
|
150
|
125
|
200
|
20
|
Y180M-4
|
18.5
|
250
|
|
IH150-125-315
|
150
|
125
|
200
|
32
|
Y200L-4
|
30
|
315
|
|
IH150-125-400
|
150
|
125
|
200
|
50
|
YB250M-4
|
55
|
400
|
|
IH200-150-250
|
200
|
150
|
400
|
20
|
YB225S-4
|
37
|
250
|
|
IH200-150-315
|
200
|
150
|
400
|
32
|
YB225M-4
|
45
|
315
|
|
IH200-150-400
|
200
|
150
|
400
|
50
|
YB280S-4
|
75
|
400
|
安裝尺寸


感謝您訪問我們揚子江泵業的網站m.ixunmeng.cn,如有任何水泵疑問我們一定會盡心盡力為您提供優質的服務。





